Цифровий індикатор струму, однофазний DMA-1-CT, непряме вимірювання, з програмованим коефіцієнтом трансформації
Рекомендовані продукти
ТЕХНІЧНІ ДАНІ
Розміри та вага товарної одиниці: 1 шт
Цифровий індикатор струму, однофазний DMA-1-CT, непряме вимірювання, з програмованим коефіцієнтом трансформації
Цифровий індикатор струму – точний вимір та надійність
Цей однофазний, цифровий індикатор струму DMA-1-CT є незамінним інструментом як для професійних монтажників, так і для кінцевих користувачів. Пристрій призначений для непрямого вимірювання, що означає, що він співпрацює з струмовими трансформаторами. Забезпечує точне зчитування ефективного значення струму AC (TrueRMS), навіть у випадку спотворених хвиль. Завдяки цьому вимір є достовірним в різних умовах роботи електричної установки.
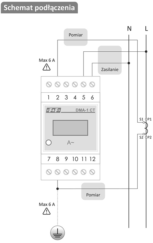
Функціональність та застосування
Індикатор DMA-1-CT монтується на DIN-рейку 35 мм, що полегшує його інтеграцію з існуючими розподільчими щитами. Обладнаний трицифровим світлодіодним дисплеєм висотою цифри 10 мм, забезпечує чітке та виразне зчитування. Можливість програмування коефіцієнта трансформації дозволяє налаштувати пристрій до специфіки конкретної установки та використовуваних струмових трансформаторів. Пристрій знаходить застосування в широкому спектрі електричних установок – від домашніх до промислових, де точний вимір струму є ключовим для правильного функціонування системи та безпеки використання.
Конструкція та характерні особливості
DMA-1-CT характеризується міцною конструкцією та високою якістю виконання. Клас точності 1 гарантує точні результати вимірювань у діапазоні 20…1000 A. Пристрій має захист від перевантаження до 20 A протягом 1 секунди та максимальний струм 6 A, що збільшує його довговічність та надійність. Живлення в діапазоні 165÷265 V AC/DC забезпечує сумісність з різними електричними мережами. Додатково, підсвічування шкали вимірювання полегшує зчитування в умовах слабкого освітлення. Варто звернути увагу на легалізацію пристрою – це підтверджує відповідність чинним нормам та правилам метрології.
- Вимір TrueRMS: Забезпечує точне зчитування навіть при нелінійних формах струму, що є важливим у випадку навантажень, що живляться від інверторів або імпульсних блоків живлення.
- Програмований коефіцієнт трансформації: Дозволяє налаштувати пристрій до різних струмових трансформаторів, забезпечуючи гнучкість та універсальність застосування.
- Монтаж на DIN-рейку: Полегшує швидку та легку установку в електричному розподільчому щиті.
- Чіткий світлодіодний дисплей: Забезпечує виразне зчитування значення вимірюваного струму навіть у складних умовах освітлення.
- Легалізація: Підтверджує відповідність нормам метрології та забезпечує достовірність вимірювань.
- Широкий діапазон вимірювання: Від 20 до 1000 A дозволяє застосовувати в різноманітних електричних установках.
- Компактні розміри: Займає лише 3 модулі (52,5 мм) на DIN-рейці, заощаджуючи цінне місце в розподільчому щиті.
СЕРТИФІКАТИ, СХВАЛЕННЯ, БЕЗПЕКА, ВІДПОВІДНІСТЬ ТА ПОПЕРЕДЖЕННЯ
Декларація про відповідність
Додатки



