Цифровий індикатор струму TrueRMS, однофазний DMA-1RMS-CT, непряме вимірювання, з програмованою передачею
Рекомендовані продукти
ТЕХНІЧНІ ДАНІ
Розміри та вага товарної одиниці: 1 шт
Цифровий індикатор струму TrueRMS, однофазний DMA-1RMS-CT, непряме вимірювання, з програмованою передачею
Цифровий індикатор струму – точний вимір та легке зчитування
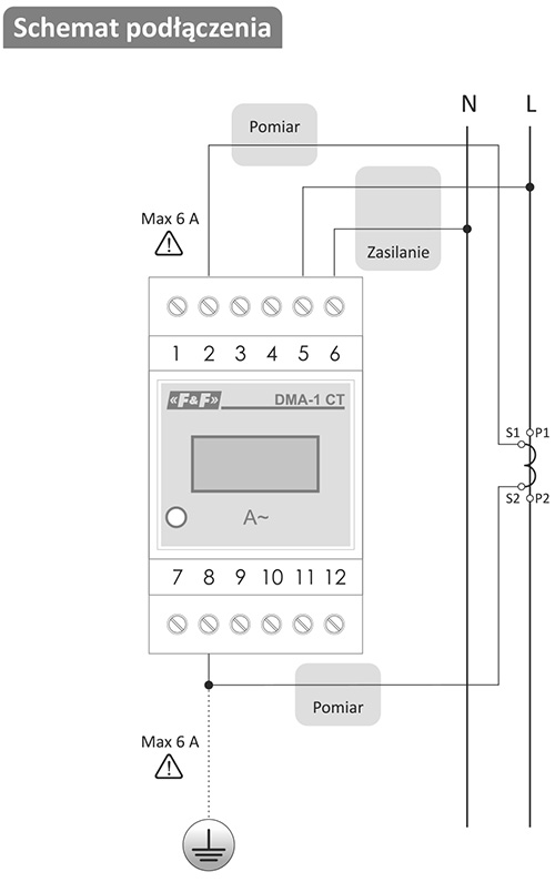
DMA-1 CT – це однофазний, цифровий індикатор струму, призначений для непрямого вимірювання з використанням струмових перетворювачів 5A. Пристрій вимірює дійсне ефективне значення струму (TrueRMS), що гарантує точність навіть у випадку спотворених струмових хвиль. Результат вимірювання представлено на чіткому, 3-цифровому світлодіодному дисплеї, що полегшує швидке та точне зчитування. Можливість програмування значення перетворювача дозволяє безпосередньо відображати реальну величину вимірюваного струму.
Функціональність та застосування
Індикатор DMA-1 CT знаходить застосування в електричних установках, де необхідний постійний моніторинг струму. Він ідеальний як для професійних монтажників, так і для кінцевих користувачів, які хочуть мати контроль над споживанням енергії та станом електричних ланцюгів. Пристрій чудово підійде для розподільних щитів, забезпечуючи зручний монтаж на стандартній DIN-шині 35 мм. Завдяки класу точності 1, забезпечує достовірні результати вимірювань.
Конструкція та безпека
Індикатор розроблено з урахуванням безпеки використання. Він має ступінь захисту IP20, який захищає від дотику до небезпечних частин під напругою. Важливо пам'ятати про обережність при підключенні до струмових перетворювачів – відкрите вторинне обмотування може генерувати небезпечну напругу. Рекомендується вимкнути живлення або захистити перемичками, що з'єднують вторинну сторону перетворювача під час монтажу. Пристрій відповідає нормам LVD 2014/35/UE та EMC 2014/30/UE, що підтверджує його безпеку та електромагнітну сумісність. Споживання потужності пристрою становить 4W.
СЕРТИФІКАТИ, СХВАЛЕННЯ, БЕЗПЕКА, ВІДПОВІДНІСТЬ ТА ПОПЕРЕДЖЕННЯ
Декларація про відповідність
Додатки
- DMA-1RMS-CT_schemat
- DMA-1RMS-CT_inst E231030 PL
- Tabele-do-obliczenia-dlugosci-przewodow-FF (1)
- OŚWIADCZENIE GPSR F&F



