Циркуляційний насос Wilo-VeroLine-IPL 65/130-4/2-IE3 2121221
Рекомендовані продукти
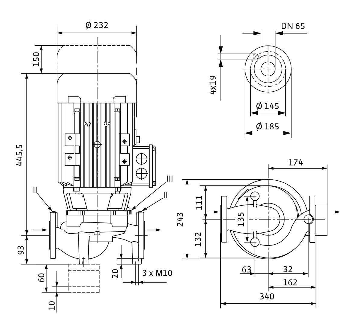
ТЕХНІЧНІ ДАНІ
Розміри та вага товарної одиниці: 1 шт
Циркуляційний насос Wilo-VeroLine-IPL 65/130-4/2-IE3 2121221
Циркуляційний насос Wilo-VeroLine-IPL 65/130-4/2-IE3 – надійність та ефективність у кожній системі
Насос Wilo-VeroLine-IPL 65/130-4/2-IE3 – це передове рішення для циркуляції води в системах опалення, кондиціонування та промислових установках. Створений з урахуванням продуктивності та довговічності, він забезпечує оптимальні параметри роботи та мінімальні експлуатаційні витрати. Конструкція насоса дозволяє легко монтувати та обслуговувати його, що особливо важливо для монтажників.
Конструкція та застосування
Насос характеризується міцною конструкцією з корпусом з чавуну (GG 25), що гарантує стійкість до корозії та тривалий термін служби. Крильчатка з поліпропілену (PP-GF) забезпечує високу гідравлічну продуктивність, а двигун класу IE3 мінімізує споживання енергії. Призначений для роботи в системах з номінальним діаметром приєднання DN 65, насос пропонує номінальну витрату до 54.31 м³/год та висоту підйому до 21.39 м. Завдяки цьому він підійде як для невеликих побутових установок, так і для більш розгалужених промислових систем. Фланцеві з'єднання, що відповідають стандарту EN 1092-2, полегшують інтеграцію насоса з існуючою інфраструктурою.
Переваги та вигоди
- Висока енергоефективність: Двигун класу IE3 перекладається на нижчі рахунки за електроенергію та зменшення впливу на навколишнє середовище.
- Міцна конструкція: Корпус з чавуну GG 25 забезпечує стійкість до корозії та довготривалу надійність.
- Універсальність застосування: Насос ідеально підходить для циркуляції води в системах опалення, кондиціонування, охолодження та промислових установках.
- Легкий монтаж та обслуговування: Компактна конструкція та фланцеві з'єднання полегшують встановлення та обслуговування насоса.
- Відповідність нормам: Насос відповідає вимогам норм безпеки та енергоефективності, забезпечуючи безпечну та надійну роботу.
- Широкий діапазон температур: Можливість роботи в діапазоні температур від -20°C до 120°C робить його придатним для різноманітних застосувань.
- Захист від перевантаження: Клас ізоляції F та ступінь захисту IP55 гарантують безпечну роботу у важких умовах навколишнього середовища.
- Висока гідравлічна продуктивність: Крильчатка, виготовлена з PP-GF, забезпечує оптимальний потік рідини при мінімальному споживанні енергії.
Насос Wilo-VeroLine-IPL 65/130-4/2-IE3 – це інвестиція в надійне та ефективне рішення для вашої системи. Його міцна конструкція, висока енергоефективність та універсальність застосування роблять його ідеальним вибором як для професійних монтажників, так і для кінцевих користувачів, які шукають довговічне та економічне рішення.

