Лічильник енергії трифазний 53A кл 1 Modbus A9MEM3150
- 43606480481510
Рекомендовані продукти
ТЕХНІЧНІ ДАНІ
Розміри та вага товарної одиниці: 1 шт
Лічильник енергії трифазний 53A кл 1 Modbus A9MEM3150
Лічильник енергії Acti9 iEM3150 – це надійне рішення для вимірювання споживання енергії в трифазних установках. Призначений як для комерційних, так і для промислових застосувань, він пропонує точне вимірювання та надійну роботу. Лічильник монтується на DIN-рейку, що забезпечує зручність встановлення та інтеграції з існуючою інфраструктурою.
Універсальність і функціональність
Пристрій вимірює активну потужність, активну енергію та має інтерфейс Modbus, що дозволяє дистанційно зчитувати дані та інтегрувати з системами моніторингу споживання енергії. Клас точності B гарантує достовірність вимірювань, що є ключовим у розрахункових застосуваннях та контролі витрат. Лічильник призначений для роботи в мережах з частотою 50-60 Гц і номінальною напругою від 100 до 277 В (фаза-нейтраль) або 173 до 480 В (фаза-фаза). Номінальний струм становить 63A, що дозволяє використовувати його в більшості стандартних установок.
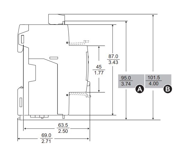
Конструкція та монтаж
Корпус лічильника виготовлений з високоякісних матеріалів, що забезпечують довговічність і стійкість до умов навколишнього середовища (ступінь захисту IP20). Ширина пристрою становить 90 мм, що відповідає 5 модулям на DIN-рейці. Цифровий дисплей LCD полегшує зчитування даних безпосередньо з лічильника. Крім того, наявність світлодіодних індикаторів інформує про стан живлення та зв'язку. Оптичний імпульсний вихід дозволяє реєструвати профіль навантаження.
Застосування та переваги
- Точне вимірювання: Клас точності B забезпечує достовірні дані щодо споживання енергії.
- Дистанційне зчитування: Інтерфейс Modbus дозволяє інтегрувати з системами моніторингу та дистанційно зчитувати дані.
- Легке встановлення: Монтаж на DIN-рейку полегшує інтеграцію з існуючою електричною інфраструктурою.
- Універсальність: Можливість застосування в мережах 50 Гц або 60 Гц та при різних номінальних напругах.
- Моніторинг навантаження: Імпульсний вихід дозволяє реєструвати профіль навантаження та аналізувати споживання енергії в часі.
- Безпека: Відповідність національним допускам забезпечує безпечне використання пристрою.
- Широкий діапазон напруг: Підтримка напруг від 100 до 480В дозволяє використовувати в різноманітних електричних установках.
Лічильник A9MEM3150 – це надійний інструмент для монтажників та кінцевих користувачів, які шукають точне та універсальне рішення для вимірювання електричної енергії. Його функціональність та легкість інтеграції роблять його ідеальним вибором як для нових установок, так і для модернізації існуючих вимірювальних систем.
СЕРТИФІКАТИ, СХВАЛЕННЯ, БЕЗПЕКА, ВІДПОВІДНІСТЬ ТА ПОПЕРЕДЖЕННЯ
cert_title_certyfikat_pep_(certyfikat_profilu_ekologicznego_produktu)[eko_label]
cert_title_deklaracja_rohs
Інший
Додатки
- CHD176_mittapiirros
- CHD176_tekninen_piirustus
- iEM3100 / iEM3150 - Instruction sheet
- iEM3100 / iEM3200 / iEM3300 series- User Manual
- PowerLogic Power Monitoring and Control Catalog - Web
- A9MEM3150

