Циркуляційний насос ALPHA2 GO 25-40 180 220-240V 9H AD0 93074225
Рекомендовані продукти
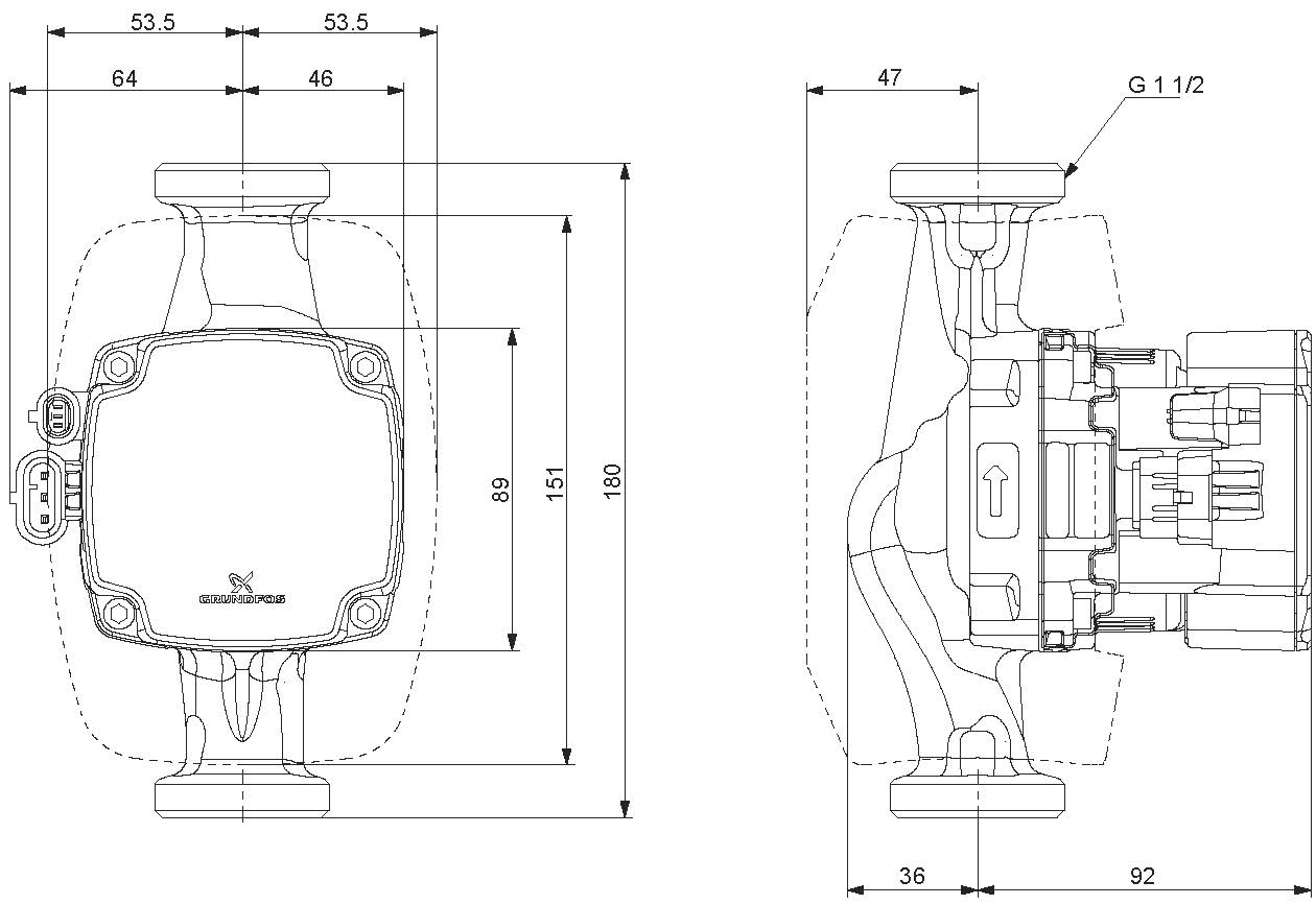
ТЕХНІЧНІ ДАНІ
Розміри та вага товарної одиниці: 1 шт
Циркуляційний насос ALPHA2 GO 25-40 180 220-240V 9H AD0 93074225
Циркуляційний насос Grundfos ALPHA2 GO – ефективне опалення та гаряча вода
Циркуляційний насос Grundfos ALPHA2 GO 25-40 180 – це надійне рішення для циркуляції теплоносія в системах центрального опалення та системах гарячого водопостачання. Він чудово підійде як для приватних будинків, так і для комерційних будівель, забезпечуючи тепловий комфорт та оптимальне споживання енергії. Конструкція насоса оптимізована для легкого монтажу та безвідмовної роботи.
Насос ALPHA2 GO характеризується високою енергоефективністю (клас C), що призводить до зниження експлуатаційних витрат. Він оснащений двигуном, адаптованим до напруги 220-240 В, а відстань між приєднувачами становить 180 мм, що полегшує інтеграцію з існуючою установкою. Корпус насоса, виготовлений з сірого чавуну, забезпечує довговічність та стійкість до корозії. Ротор, виготовлений з композиту, гарантує тиху роботу пристрою.
Застосування та функціональність
Насос ALPHA2 GO є універсальним і може використовуватися в різних системах:
- Опалення житлових та комерційних будівель
- Циркуляція гарячої води
- Тепломережі та холодильні мережі
- Системи кондиціонування (версії з нержавіючої сталі)
Завдяки вбудованому частотному перетворювачу насос автоматично адаптує свою продуктивність до поточних потреб, мінімізуючи споживання енергії та забезпечуючи оптимальний комфорт використання. Термічний захист захищає пристрій від перегріву, а високий клас захисту IP44 забезпечує безпеку використання навіть у вологих умовах.
Конструкція та параметри
Насос має приєднання G 1 1/2 дюйма та максимальну висоту підйому 40 дм. Монтажна довжина становить 180 мм, що полегшує заміну старих моделей насосів. Максимальний робочий тиск становить 10 бар, а діапазон температури рідини – від 2 до 110°C. Пристрій відповідає нормам CE та VDE, що підтверджує його безпеку та відповідність європейським стандартам. Розроблений для роботи з водою щільністю 998.2 кг/м³.
Споживання енергії знаходиться в діапазоні від 3 Вт до 21 Вт, що свідчить про енергоефективність пристрою. Клас ізоляції F забезпечує тривалу та надійну роботу насоса.
СЕРТИФІКАТИ, СХВАЛЕННЯ, БЕЗПЕКА, ВІДПОВІДНІСТЬ ТА ПОПЕРЕДЖЕННЯ
cert_title_deklaracja_zgodności_(ce)
Додатки


