Насос Wilo-HiMulti 3C1-24 для водопостачання 2543604
Рекомендовані продукти
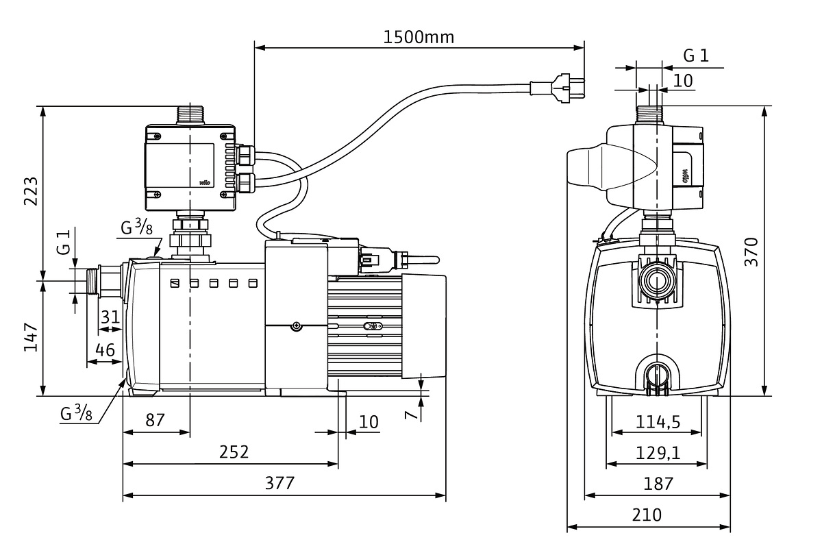
ТЕХНІЧНІ ДАНІ
Розміри та вага товарної одиниці: 1 шт
Насос Wilo-HiMulti 3C1-24 для водопостачання 2543604
Універсальний насос для водопостачання та підвищення тиску
Насос Wilo-HiMulti 3C1-24 – це універсальний пристрій, призначений для перекачування та підвищення тиску питної води, як чистої, так і злегка забрудненої. Він знайде застосування в домашніх господарствах, сільському господарстві та в інших сферах, де потрібне надійне джерело води. Ідеально підходить для живлення зі свердловин, резервуарів зберігання, а також водопровідної мережі – забезпечуючи відповідний тиск для зрошення, розпилення або просто комфортного використання.
Насос характеризується високою продуктивністю – до 5.25 м³/год – та здатністю піднімати воду на висоту до 38.88 метрів. Двигун потужністю 0.4 кВт і напругою 230V забезпечує стабільну роботу, а клас енергоефективності IE2 перекладається на нижчі експлуатаційні витрати. Конструкція на основі крильчатки з поліпропілену (PP-GF) гарантує стійкість до корозії та довготривалу надійність.
Конструкція та застосування
Wilo-HiMulti 3C1-24 – це самовсмоктуючий насос, що означає, що він не потребує попереднього заливання водою перед запуском – що значно полегшує його встановлення та використання. Він оснащений системою керування HiControl 1, яка автоматично регулює роботу насоса, забезпечуючи оптимальний тиск в установці та захищаючи її від роботи на суху. Приєднувальні різьбові з'єднання діаметром 1 дюйм (25 мм) зі сторони всмоктування та нагнітання (BSPP) дозволяють легко підключити до існуючої водопровідної установки. Матеріали, використані у виробництві – вал з нержавіючої сталі та високоякісні пластмаси – забезпечують довговічність і стійкість до дії зовнішніх факторів.
Застосування механічного ущільнення BVPFF усуває необхідність регулярного обслуговування в цій області, що перекладається на зниження витрат на утримання пристрою. Насос пристосований до роботи при температурі навколишнього середовища від -15°C до 40°C та перекачуваної рідини від 0°C до 40°C, що робить його універсальним рішенням для різних кліматичних умов та застосувань. Клас ізоляції F забезпечує безпеку та надійність роботи двигуна.

