Циркуляційний насос Wilo-VeroTwin-DPL 80/140-1,1/4-IE3 подвійний 2121234
Рекомендовані продукти
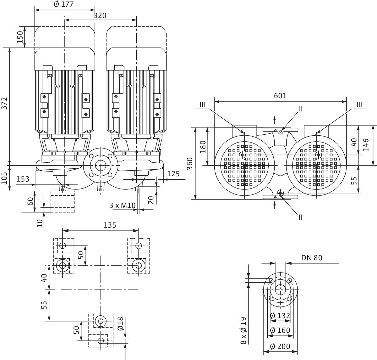
ТЕХНІЧНІ ДАНІ
Розміри та вага товарної одиниці: 1 шт
Циркуляційний насос Wilo-VeroTwin-DPL 80/140-1,1/4-IE3 подвійний 2121234
Універсальний циркуляційний насос для систем опалення та охолодження
Циркуляційний насос Wilo-VeroTwin-DPL 80/140-1,1/4-IE3 – це передове рішення, призначене для ефективного обігу води в установках опалення, кондиціонування та охолодження. Конструкція подвійного насоса забезпечує надійність і можливість резервування, що особливо важливо в системах, які вимагають безперервної роботи. Пристрій характеризується високою енергоефективністю завдяки двигуну класу IE3, що перекладається на нижчі експлуатаційні витрати.
Конструкція та застосування
Насос Wilo-VeroTwin-DPL 80/140 розроблений з урахуванням вимогливих застосувань. Виконаний з високоякісного чавуну (GG 25), забезпечує довговічність і стійкість до корозії. Крильчатка з поліпропілену (PP-GF) гарантує ефективний потік рідини. Приєднувальні фланці DN 80 з класом тиску PN 10 полегшують інтеграцію з існуючою інфраструктурою. Ступінь захисту IP55 захищає пристрій від впливу зовнішнього середовища, дозволяючи монтаж у різних умовах. Насос пристосований до роботи при температурі навколишнього середовища від -15 до 40°C та в середній температурі рідини від -20 до 120°C.
Продуктивність та ефективність
Wilo-VeroTwin-DPL 80/140 пропонує максимальну продуктивність на рівні 118.3 м³/год та максимальну висоту підйому 6.936 м. Двигун потужністю 1.1 кВт і частотою 50 Гц забезпечує стабільну роботу пристрою. Показник мінімальної ефективності (MEI) на рівні 0.4 підтверджує високу енергоефективність насоса, що сприяє зниженню рахунків за електроенергію. Подвійна конструкція дозволяє гнучко адаптувати продуктивність до поточних потреб системи, а також забезпечує резерв у разі аварії одного з насосів. Характеристика C дозволяє йому реагувати повільніше на короткі стрибки струму, тому він добре переносить запуск пристроїв з двигуном.

