Циркуляційний насос Wilo-VeroLine-IPL 80/120-0,55/4 2129206
Рекомендовані продукти
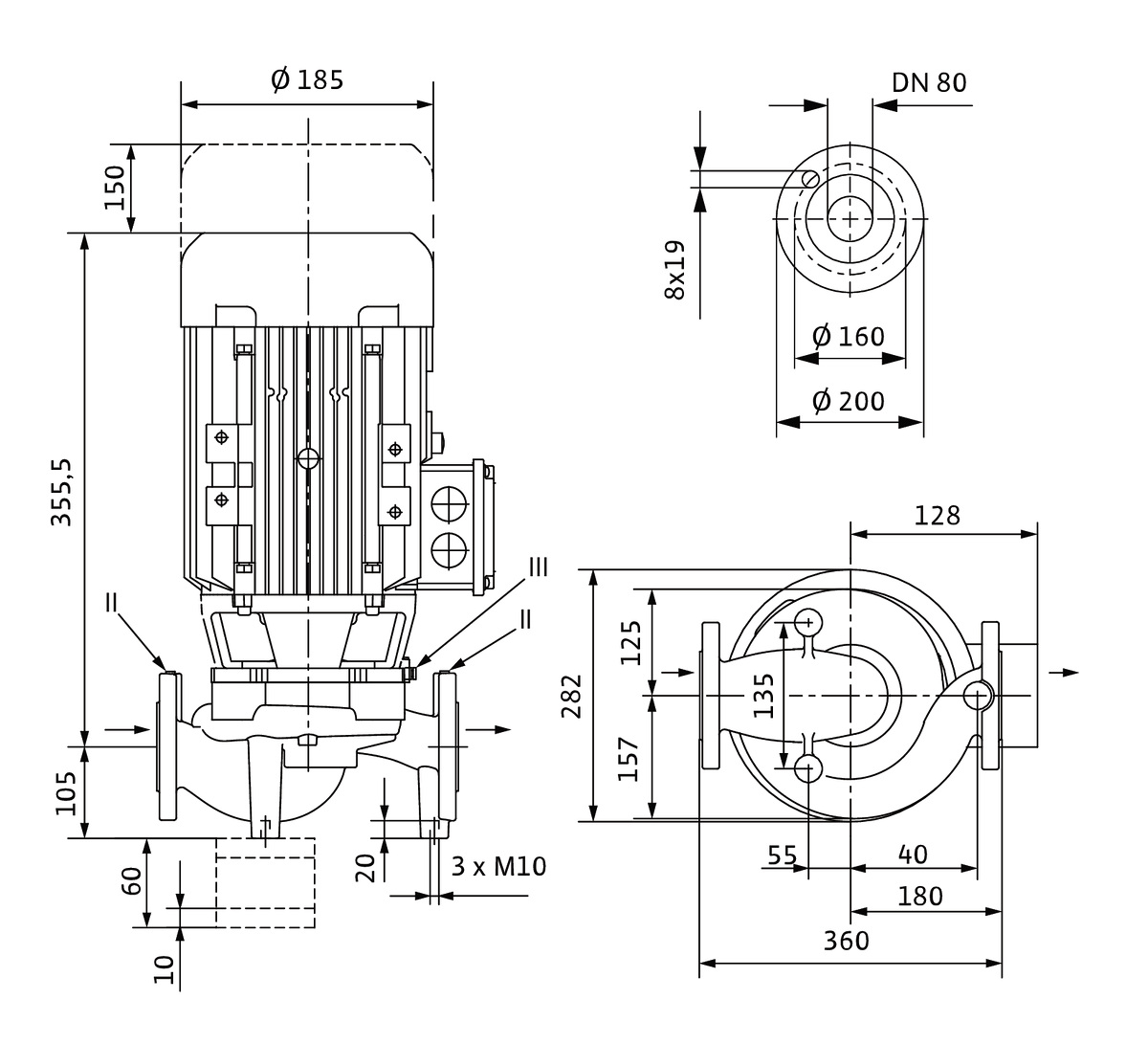
ТЕХНІЧНІ ДАНІ
Розміри та вага товарної одиниці: 1 шт
Циркуляційний насос Wilo-VeroLine-IPL 80/120-0,55/4 2129206
Циркуляційний насос для систем опалення та кондиціонування
Wilo-VeroLine-IPL 80/120-0,55/4 – це високоефективний циркуляційний насос, призначений для циркуляції води в системах опалення, кондиціонування та охолодження. Він характеризується надійністю та енергоефективністю, що призводить до зниження експлуатаційних витрат. Конструкція Inline з фланцевим підключенням полегшує монтаж та інтеграцію з існуючою установкою.
Будова та застосування
Цей насос з двигуном потужністю 0.55 кВт і трифазним живленням (400 В, 50 Гц) ідеально підходить для закритих систем опалення, де забезпечує ефективний обіг теплоносія. Завдяки високій ефективності (MEI 0.4) та класу енергоефективності двигуна IE2, мінімізується споживання електроенергії. Конструкція насоса дозволяє працювати в широкому діапазоні температур навколишнього середовища (-15 до 40 °C) та середовища (-20 до 120 °C). Корпус насоса, виготовлений з чавуну GG 25, забезпечує довговічність та стійкість до корозії. Ротор з поліпропілену (PP-GF) стійкий до дії води та інших середовищ. Ступінь захисту IP55 гарантує безпеку використання навіть у вологих умовах.
Ключові особливості та переваги
- Висока продуктивність: Максимальна продуктивність насоса становить аж 60.88 м³/год, а максимальна висота підйому – 4.017 м – це забезпечує ефективний обіг середовища у розгалужених установках.
- Енергоефективність: Двигун класу IE2 та високий показник MEI (0.4) призводять до зниження рахунків за електроенергію.
- Міцна конструкція: Корпус, виготовлений з чавуну GG 25, гарантує тривалий термін служби насоса, навіть у складних умовах роботи.
- Легкий монтаж: Конструкція Inline з фланцевими з’єднаннями DN80 полегшує інтеграцію з існуючою установкою та обслуговування. Клас тиску фланців PN10 забезпечує безпеку з’єднань.
- Широкий спектр застосувань: Насос ідеально підходить для систем опалення, кондиціонування та охолодження в житлових, комерційних та промислових будівлях.
- Надійність: Механічне ущільнення забезпечує герметичність та мінімізує ризик витоків.
- Безпека: Ступінь захисту IP55 захищає насос від вологи та пилу, забезпечуючи безпечну роботу в різних середовищах.
- Безперервна робота: Можливість безперервної роботи при температурі до 120°C робить насос ідеальним для вимогливих застосувань.
Насос Wilo-VeroLine-IPL 80/120-0,55/4 – це надійне рішення для професіоналів та користувачів, які шукають надійний та ефективний циркуляційний насос для різноманітних застосувань у системах опалення, вентиляції та кондиціонування (HVAC).

