Циркуляційний насос Wilo-VeroLine-IPL 30/85-0,18/2 2089575
Рекомендовані продукти
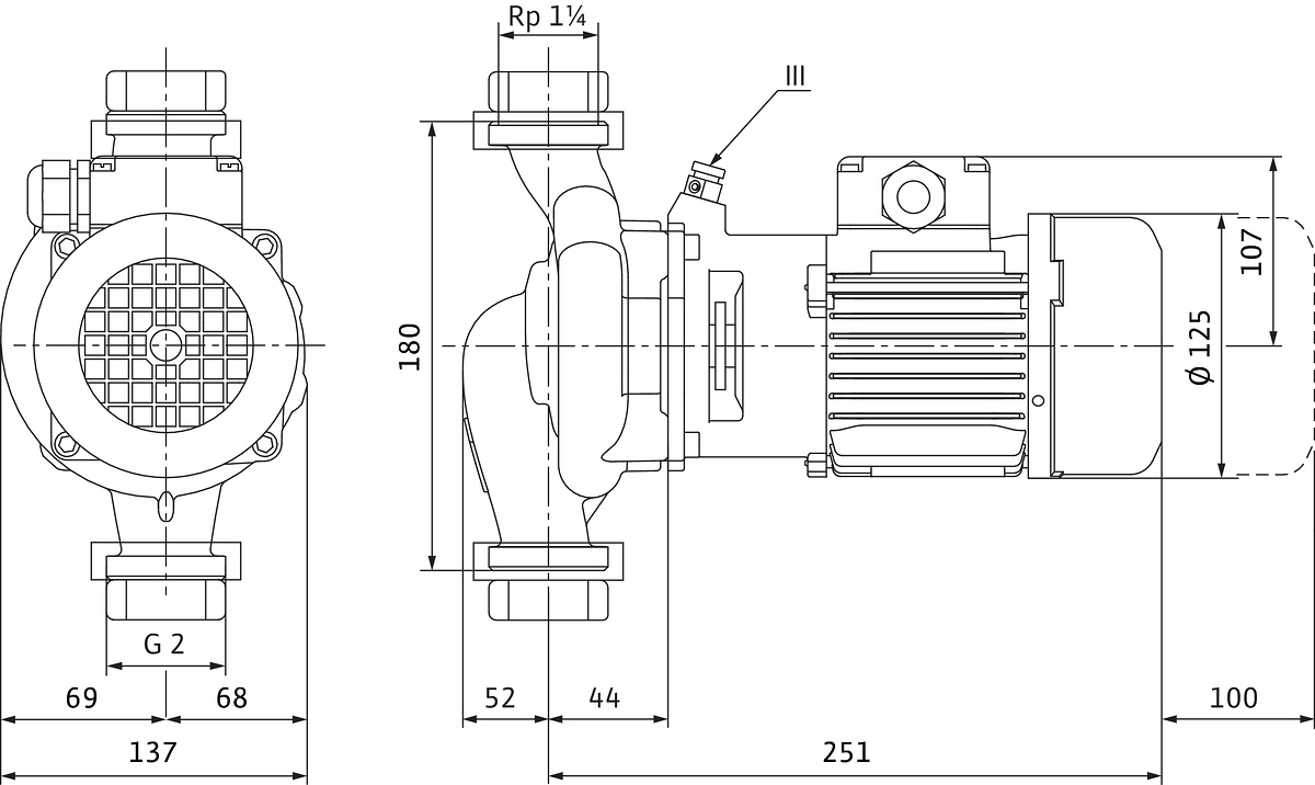
ТЕХНІЧНІ ДАНІ
Розміри та вага товарної одиниці: 1 шт
Циркуляційний насос Wilo-VeroLine-IPL 30/85-0,18/2 2089575
Циркуляційний насос для систем центрального опалення та кондиціонування
Wilo-VeroLine-IPL 30/85-0,18/2 – це надійний циркуляційний насос, призначений для циркуляції води в системах опалення, кондиціонування та охолодження. Це особливо хороший вибір для побутових установок, але він також підійде для комерційних об'єктів. Конструкція насоса дозволяє легко монтувати та інтегрувати з існуючими установками.
Будова та застосування
Насос фланцевий з конструкцією inline з різьбовим приєднанням, що полегшує його інтеграцію з трубопроводами. Призначений для циркуляції води в закритих установках, забезпечуючи ефективний транспорт тепла або холоду. Завдяки своїй продуктивності та надійності, Wilo-VeroLine-IPL 30/85-0,18/2 ідеально підходить для застосувань у системах:
- Центрального опалення
- Кондиціонування
- Охолодження
- Циркуляції питної води (після застосування відповідних ущільнювальних матеріалів)
Характеристика та переваги
Насос характеризується потужністю двигуна 0.18 кВт і забезпечує максимальну продуктивність на рівні 7.93 м³/год при висоті підйому 8.277 м. Виконаний з високоякісного чавуну (корпус) та поліпропілену (крильчатка), гарантує довготривалу та безвідмовну роботу навіть у важких умовах. Клас енергоефективності двигуна IE2 перекладається на нижчі експлуатаційні витрати. Ступінь захисту IP55 забезпечує стійкість до пилу та струменів води, що дозволяє монтувати насос у різних середовищах.
- Висока продуктивність: Забезпечує ефективний обіг середовища в установці, оптимізуючи роботу всієї системи.
- Енергоефективність: Двигун класу IE2 мінімізує споживання електроенергії.
- Міцна конструкція: Корпус з чавуну GG 25 та крильчатка з PP-GF гарантують стійкість до корозії та механічних пошкоджень.
- Легкий монтаж: Конструкція inline з різьбовим приєднанням полегшує інтеграцію з існуючими установками.
- Широкий спектр застосувань: Можливість використання в системах опалення, кондиціонування та охолодження.
- Стійкість до умов навколишнього середовища: Ступінь захисту IP55 забезпечує безпечну роботу в різних умовах вологості та запиленості.
- Надійність: Перевірена конструкція та висока якість виконання гарантують довготривалу безвідмовну роботу пристрою.
Додаткова інформація: насос має різьбові приєднання діаметром 2 дюйми (50 мм) як зі сторони вхідної, так і вихідної, що відповідає стандарту ISO 228-1 та BSPP. Працює з напругою 400V при частоті 50Hz. Максимальний робочий тиск становить 10 барів, а температура роботи – від -20 до +120°C .

