Перехідник для манометра GW M20x1,5 на ZEW G1/2, латунь 5334513
Рекомендовані продукти
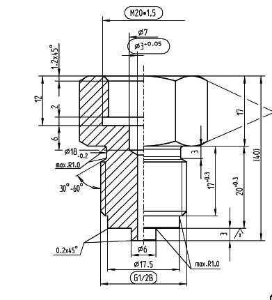
ТЕХНІЧНІ ДАНІ
Розміри та вага товарної одиниці: 1 шт
Перехідник для манометра GW M20x1,5 на ZEW G1/2, латунь 5334513
Редуктор для манометра – точність і надійність вимірювання
Цей редуктор манометра, виготовлений з латуні, є ключовим елементом у системах вимірювання тиску. Він служить для з'єднання манометра з установкою, дозволяючи отримувати точні та стабільні показання. Цей продукт особливо корисний у застосунках, що вимагають прецизійного моніторингу тиску, як в промислових умовах, так і в побутових установках.
Конструкція та застосування
Редуктор характеризується зовнішнім різьбленням M20x1,5 та внутрішнім різьбленням G1/2. Така конфігурація дозволяє легко та герметично з'єднувати з різними типами манометрів та елементами установки. Латунна конструкція забезпечує стійкість до корозії та довготривалу надійність, навіть у складних умовах навколишнього середовища.
- Універсальність: Підходить для широкого спектру манометрів та установок.
- Довговічність: Виготовлений з високоякісної латуні, стійкої до корозії.
- Легкий монтаж: Різьблення M20x1,5 та G1/2 забезпечують швидке та безпроблемне з'єднання.
- Герметичність: Забезпечує герметичне з'єднання, мінімізуючи ризик витоків.
Чому варто вибрати редуктор WIKA?
Продукт походить від відомого виробника WIKA, що гарантує високу якість виготовлення та відповідність чинним нормам. WIKA є світовим лідером у виробництві вимірювальних приладів, відомим своїми інноваційними рішеннями та надійністю своєї продукції. Обираючи редуктор WIKA, ви інвестуєте в точність, довговічність та безпеку своєї вимірювальної системи.
Завдяки цьому компоненту монтажники можуть бути впевнені в надійному з'єднанні манометра з установкою, а кінцеві користувачі – в точних та достовірних показаннях тиску протягом тривалого часу.
СЕРТИФІКАТИ, СХВАЛЕННЯ, БЕЗПЕКА, ВІДПОВІДНІСТЬ ТА ПОПЕРЕДЖЕННЯ
Декларація про відповідність
Додатки

