Лічильник енергії трифазний 125A кл 1 Modbus A9MEM3350
- 43606480696419
Рекомендовані продукти
ТЕХНІЧНІ ДАНІ
Розміри та вага товарної одиниці: 1 шт
Лічильник енергії трифазний 125A кл 1 Modbus A9MEM3350
Лічильник енергії трифазний для прецизійного вимірювання та моніторингу
Цей трифазний лічильник енергії Acti9 iEM3350 – це просунутий пристрій, призначений для вимірювання споживання електроенергії в установках зі струмом до 125A. Він монтується на DIN-рейку, пропонує надійну роботу та точність вимірювань, що робить його ідеальним рішенням як для професійних монтажників, так і для кінцевих користувачів. Завдяки інтерфейсу Modbus він дозволяє інтеграцію з системами моніторингу та управління енергією, забезпечуючи повний контроль над споживанням.
Характеристики та застосування
Цей лічильник знаходить застосування в широкому спектрі електричних установок, від комерційних будівель до промислових підприємств. Його компактні розміри (ширина 7 модулів) дозволяють легко монтувати в розподільних щитах. Він оснащений цифровим індикатором, який відображає ключові параметри, такі як активна енергія, напруга та струм. Додаткові світлодіоди сигналізують про статус живлення та комунікації. Лічильник призначений для безпосереднього вимірювання струму, усуваючи необхідність використання додаткових струмових трансформаторів у багатьох додатках. Клас точності B забезпечує достовірність вимірювань відповідно до норм IEC 62053-21 та IEC 61557-12.
Переваги та вигоди
- Універсальність: Підтримує мережі 50 Гц і 60 Гц та напруги від 100 до 277 В (фаза-нейтраль) або від 173 до 480 В (фаза-фаза).
- Комунікація Modbus: Дозволяє віддалено зчитувати дані та інтегрувати з системами автоматизації будівлі (BMS) або системами управління енергією.
- Точність: Клас точності B гарантує прецизійні вимірювання споживання енергії.
- Компактний розмір: Ширина 7 модулів полегшує монтаж навіть у обмежених просторах.
- Індикатори LED: Швидка ідентифікація стану роботи пристрою завдяки індикаторам живлення та комунікації.
- Безпека: Ступінь захисту IP20 забезпечує захист від випадкового дотику.
- Універсальність: Підходить для застосувань підрахунку та часткових вимірювань.
- Імпульсний вихід: Оптичний імпульсний вихід дозволяє реєструвати профіль навантаження (хоча сам лічильник не має функції профілювання).
- Міцна конструкція: Виготовлений з високоякісних матеріалів, що забезпечують довготривалу надійність роботи.
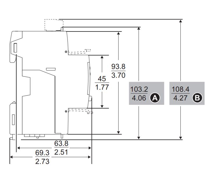
Максимальний струм, який може виміряти цей лічильник, становить 125A, а діапазон номінальних напруг коливається від 100 до 277 В для з'єднання фази з нейтраллю та від 173 до 480 В для міжфазного з'єднання. Комунікація відбувається за допомогою інтерфейсу Modbus, а клас точності становить B. Розміри лічильника: ширина 126 мм, висота 103.2 мм та глибина 69.3 мм.
Лічильник A9MEM3350 – це надійне рішення для кожного, хто потребує прецизійного моніторингу споживання електроенергії в трифазних установках. Його функціональність, надійність та легкість інтеграції роблять його чудовим вибором як для професіоналів, так і для домашніх користувачів.
СЕРТИФІКАТИ, СХВАЛЕННЯ, БЕЗПЕКА, ВІДПОВІДНІСТЬ ТА ПОПЕРЕДЖЕННЯ
cert_title_certyfikat_pep_(certyfikat_profilu_ekologicznego_produktu)[eko_label]
cert_title_deklaracja_rohs
Інший
Додатки
- CHD177_mittapiirros
- CHD177_tekninen_piirustus
- iEM3300 / iEM3350 - Instruction sheet
- iEM3100 / iEM3200 / iEM3300 series- User Manual
- PowerLogic Power Monitoring and Control Catalog - Web
- A9MEM3350

