Детектор газів DG-P9E5/M кисень, 25 % об./об., ел-хім. датчик, термін служби 5 років, RoHS
Рекомендовані продукти
ТЕХНІЧНІ ДАНІ
Розміри та вага товарної одиниці: 1 шт
Детектор газів DG-P9E5/M кисень, 25 % об./об., ел-хім. датчик, термін служби 5 років, RoHS
Детектор газів кисню – надійний нагляд та безпека
Цей детектор газів призначений для безперервного моніторингу концентрації кисню в повітрі, забезпечуючи швидку реакцію у разі перевищення допустимих норм. Пристрій використовує електрохімічний сенсор, який гарантує точні вимірювання та довготривалу, стабільну роботу протягом періоду до 5 років. Це ключове рішення для забезпечення безпечних умов праці в промислових підприємствах, логістичних центрах та об'єктах громадського користування.
Широке застосування та гнучкість
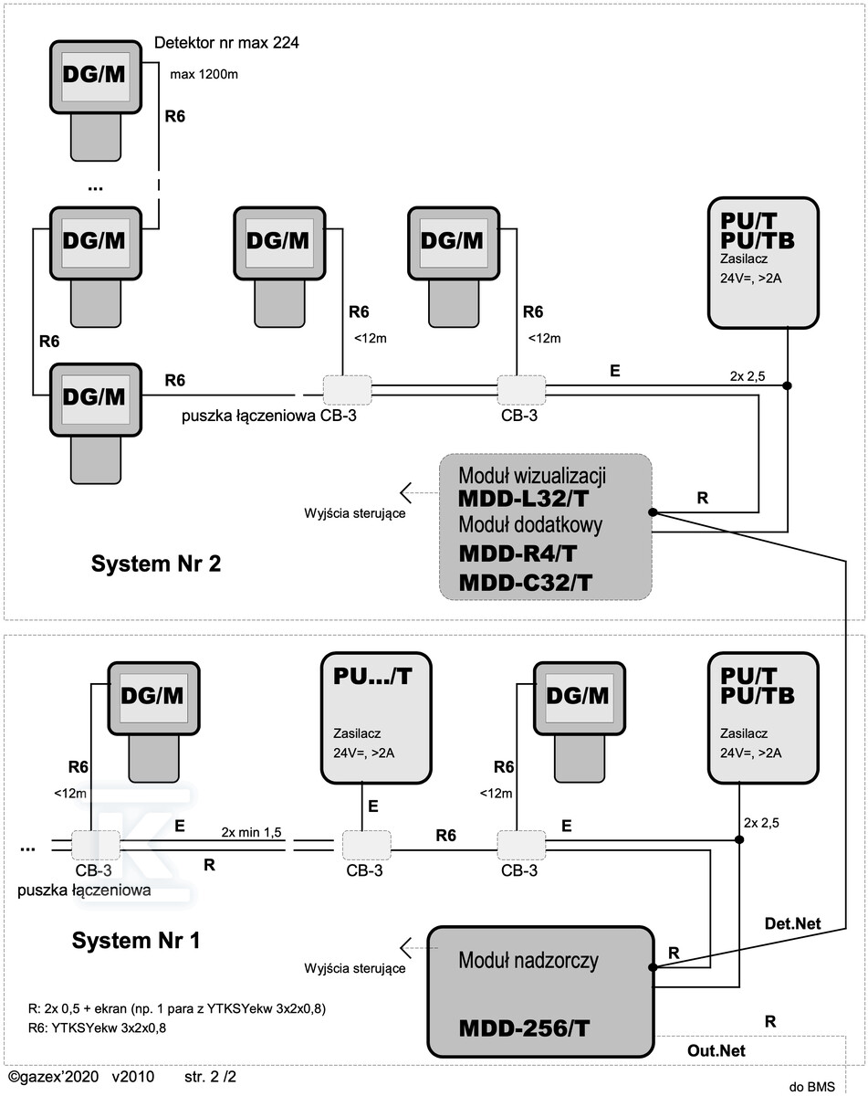
Детектор DG-P9E5/M знаходить застосування у великих приміщеннях, де існує ризик викиду токсичних або вибухонебезпечних газів. Завдяки можливості комунікації через порт RS-485 з протоколом MODBUS RTU, пристрій легко інтегрується з Цифровою Системою Детекції Газів GAZEX, що дозволяє центральний нагляд та контроль. Змінний сенсорний модуль полегшує обслуговування та калібрування, знижуючи експлуатаційні витрати.
Конструкція та експлуатаційні характеристики
Пристрій характеризується міцною конструкцією та бризкозахищеним корпусом (IP44), виготовленим з високоміцного ABS. Два кабельні входи полегшують з'єднання наступних детекторів у мережу. Вбудований мікропроцесор забезпечує надійність та стабільність роботи, а схема компенсації температури мінімізує вплив змін температури на точність вимірювань. Детектор має історію станів тривоги, що полегшує аналіз подій та ідентифікацію потенційних загроз. Знімні безгвинтові затискачі дозволяють зручне підключення кабелів FTP. Селективна оптична сигналізація LED інформує про тривогу у зрозумілий та чіткий спосіб.
Додаткові функціональні можливості, такі як можливість оснащення додатковим захисним кожухом (AR-1d) або корпусом для вентиляційного каналу (DG/w), та модуль вихідних контактів (DG-P/MR), дозволяють адаптувати детектор до специфічних вимог застосування. Конфігурація налаштувань відбувається за допомогою спеціалізованого програмного забезпечення „DETnet View”, доступного на сайті виробника. Усі детектори калібруються у власній Калібрувальній Лабораторії GAZEX, акредитованій відповідно до норми PN-EN ISO/IEC 17025 (акредитація PCA № AP150), що гарантує їх високу точність та достовірність вимірювань.
СЕРТИФІКАТИ, СХВАЛЕННЯ, БЕЗПЕКА, ВІДПОВІДНІСТЬ ТА ПОПЕРЕДЖЕННЯ
Декларація про відповідність
Додатки


