Детектор газів DG-P7KL3/M водень, діапазон 100 %DGW, каталітичний сенсор, RS-485
Рекомендовані продукти
ТЕХНІЧНІ ДАНІ
Розміри та вага товарної одиниці: 1 шт
Детектор газів DG-P7KL3/M водень, діапазон 100 %DGW, каталітичний сенсор, RS-485
Детектори газів серії DG-P/M – надійна перевірка наявності водню
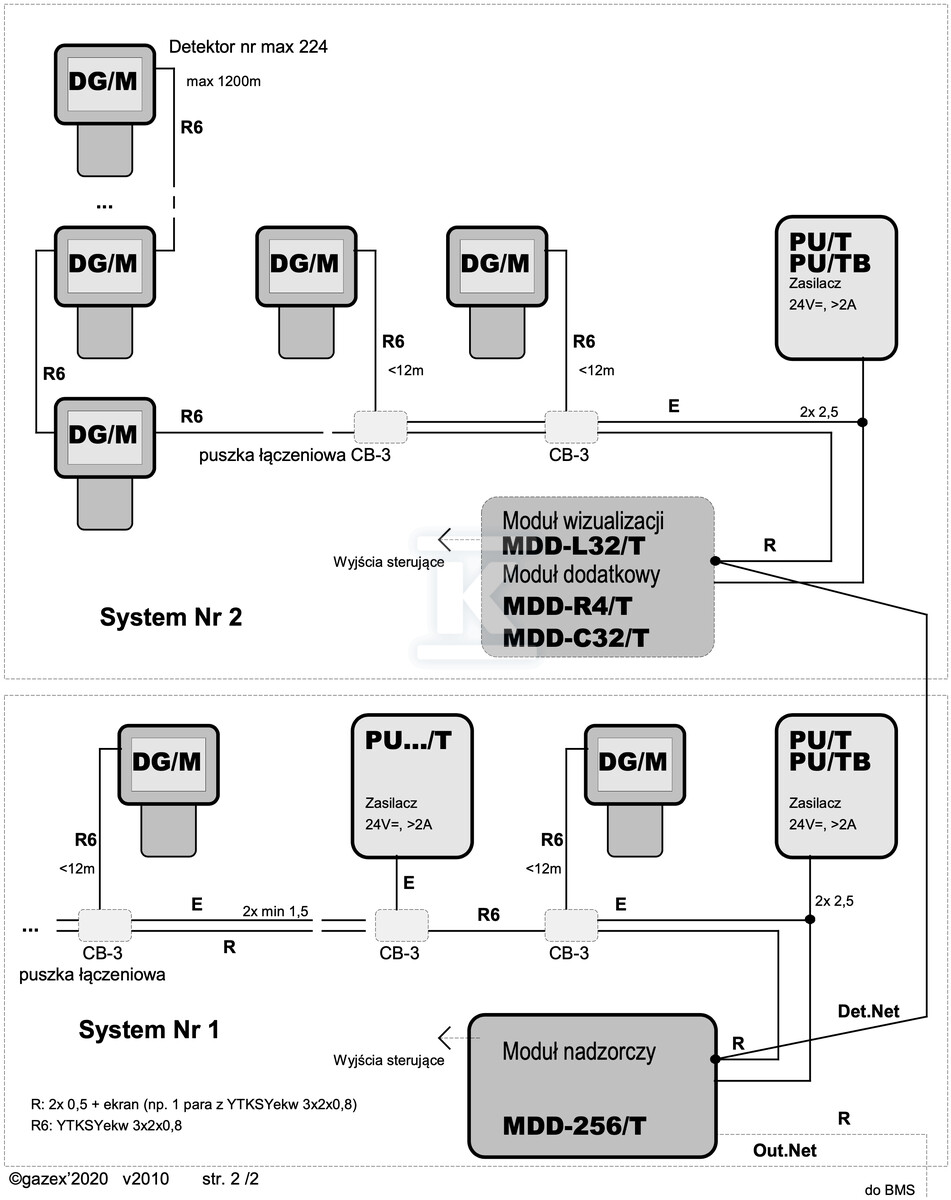
Детектори газів DG-P/M – це пристрої, призначені для безперервного моніторингу концентрації газів у різних середовищах – від промислових підприємств, через логістичні центри, до об'єктів громадського користування. Модель DG-P7KL3/M, оснащена каталітичним сенсором, призначена для точного виявлення водню в діапазоні до 100% НМВ (Нижньої Межі Вибуховості). Сигналізація тривоги, реалізована оптично, та передача інформації до цифрового модуля нагляду через інтерфейс RS-485 з протоколом MODBUS RTU, забезпечують швидку реакцію у разі перевищення допустимих норм.
Будова та функціональність для професіоналів та кінцевих користувачів
Конструкція детекторів DG-P/M базується на змінних сенсорних модулях – напівпровідникових, електрохімічних або оптичних. Таке рішення полегшує обслуговування, калібрування та знижує витрати на експлуатацію. Заміна пошкодженого сенсора є простою і не потребує спеціальних знань. Пристрій має вбудований мікропроцесор, який забезпечує стабільну роботу та напівавтоматичне адресування в цифровій мережі – конфігурація є інтуїтивно зрозумілою і не потребує відкриття корпусу. Додатково, схема компенсації термічної дії мінімізує вплив змін температури на точність вимірювання. Детектор записує історію станів тривоги, що полегшує аналіз подій. Бризостійкий корпус з ABS (IP44) захищає від вологи та пилу. Два кабельні вводи дозволяють легко з'єднувати наступні детектори в системі.
Ключові особливості та переваги
- Виявлення водню: Каталітичний сенсор забезпечує точний вимір концентрації водню в діапазоні до 100% НМВ. Це ключове для безпеки в додатках, пов'язаних з виробництвом, зберіганням або використанням водню як палива.
- Комунікація RS-485: Стандарт RS-485 з протоколом MODBUS RTU дозволяє інтегрувати детектор з існуючими системами моніторингу та керування.
- Змінні сенсорні модулі: Дозволяють швидку заміну пошкодженого сенсора та адаптацію детектора до різних додатків шляхом вибору відповідного типу сенсора.
- Висока надійність: Вбудований мікропроцесор та схема компенсації термічної дії забезпечують стабільну та точну роботу пристрою.
- Легка конфігурація: Напівавтоматичне адресування в цифровій мережі та спеціалізоване програмне забезпечення конфігурації „DETnet View” спрощують процес встановлення та конфігурації.
- Відповідність нормам: Усі детектори калібруються у власній Калібрувальній Лабораторії GAZEX, що діє відповідно до норми PN-EN ISO/IEC 17025 (акредитація PCA № AP150), що гарантує достовірність вимірювань.
- Солідна конструкція: Бризостійкий корпус з високоміцного ABS (IP44) забезпечує захист від складних умов навколишнього середовища.
Детектор DG-P7KL3/M – це надійне рішення для всіх, хто потребує ефективного контролю наявності водню у своєму робочому або експлуатаційному середовищі.
СЕРТИФІКАТИ, СХВАЛЕННЯ, БЕЗПЕКА, ВІДПОВІДНІСТЬ ТА ПОПЕРЕДЖЕННЯ
Декларація про відповідність
Додатки


