Детектор газів DG-P1KL5/M пропан-бутан, діапазон 100 %DGW, каталітичний сенсор, RS-485
Рекомендовані продукти
ТЕХНІЧНІ ДАНІ
Розміри та вага товарної одиниці: 1 шт
Детектор газів DG-P1KL5/M пропан-бутан, діапазон 100 %DGW, каталітичний сенсор, RS-485
Детектори газів – надійний захист вашої інсталяції
Цей детектор газу пропан-бутан, оснащений каталітичним сенсором, призначений для постійного контролю концентрації газу в приміщеннях. Його завданням є швидке виявлення потенційних загроз та сповіщення у разі перевищення допустимих норм. Пристрій знаходить застосування як у промислових підприємствах, логістичних центрах, так і в об'єктах громадського призначення та великих приміщеннях, де існує ризик викиду вибухонебезпечних газів.
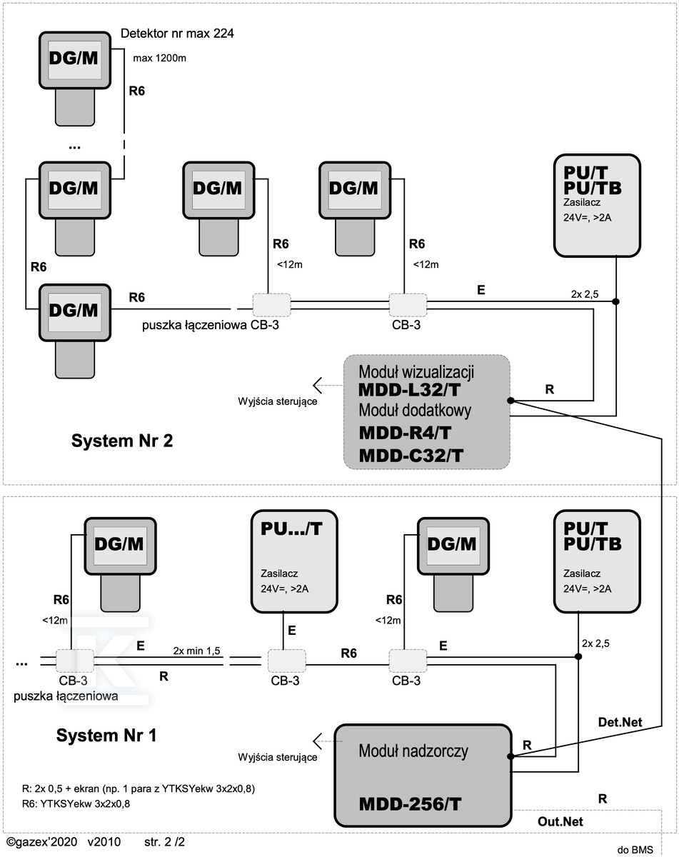
Детектор DG-P1KL5/M співпрацює з Цифровою Системою Детекції Газу GAZEX, що дозволяє інтеграцію з комплексною системою моніторингу. Комунікація відбувається за допомогою порту RS-485 з протоколом MODBUS RTU, що забезпечує легку інтеграцію з існуючою інфраструктурою. Вбудований мікропроцесор забезпечує стабільну та надійну роботу пристрою, а також напівавтоматичне адресування в цифровій мережі – без необхідності відкривання корпусу.
Переваги та функціональність для професіоналів та користувачів:
- Змінний модуль сенсорний: Полегшує обслуговування, калібрування та знижує експлуатаційні витрати. За потреби сенсор можна швидко замінити на новий, мінімізуючи простої.
- Оптична сигналізація: Вбудована світлодіодна сигналізація інформує про тривогу, що дозволяє швидко відреагувати у разі виявлення небезпечної концентрації газу.
- Термічна компенсація: Схема термічної компенсації забезпечує точність вимірювань незалежно від температури навколишнього середовища.
- Історія станів тривоги: Детектор записує історію станів тривоги, що полегшує аналіз причин аварій та покращення безпеки інсталяції.
- Бризгозахищений корпус (IP44): Забезпечує захист від вологи та пилу, дозволяючи монтаж у важких умовах навколишнього середовища.
- Два кабельні вводи: Полегшують з'єднання наступних детекторів у мережу, створюючи розширену систему моніторингу.
- Конфігурація через програмне забезпечення DETnet View: Дозволяє легко налаштувати параметри детектора за допомогою спеціалізованого програмного забезпечення, доступного на сайті виробника.
- Атестація у власній лабораторії GAZEX: Усі детектори атестовані у власній Атестаційній Лабораторії GAZEX, що діє відповідно до норми PN-EN ISO/IEC 17025 (акредитація PCA № AP150), що гарантує високу точність вимірювань та відповідність чинним нормам.
Детектор DG-P1KL5/M – це міцний та надійний пристрій, призначений для постійного контролю присутності газу пропан-бутан у повітрі. Його конструкція не дозволяє використовувати у зонах, небезпечних вибухом, але він чудово підходить для областей, що вимагають моніторингу витоків та забезпечення безпеки використання газової інсталяції. Живлення 24V= забезпечує легкість інтеграції з існуючими системами живлення.
СЕРТИФІКАТИ, СХВАЛЕННЯ, БЕЗПЕКА, ВІДПОВІДНІСТЬ ТА ПОПЕРЕДЖЕННЯ
Декларація про відповідність
Додатки


