Детектор газів DG-P1KL4/M метан, діапазон 100 %DGW, каталітичний сенсор, RS-485
Рекомендовані продукти
ТЕХНІЧНІ ДАНІ
Розміри та вага товарної одиниці: 1 шт
Детектор газів DG-P1KL4/M метан, діапазон 100 %DGW, каталітичний сенсор, RS-485
Детектор метану для постійного контролю присутності газу
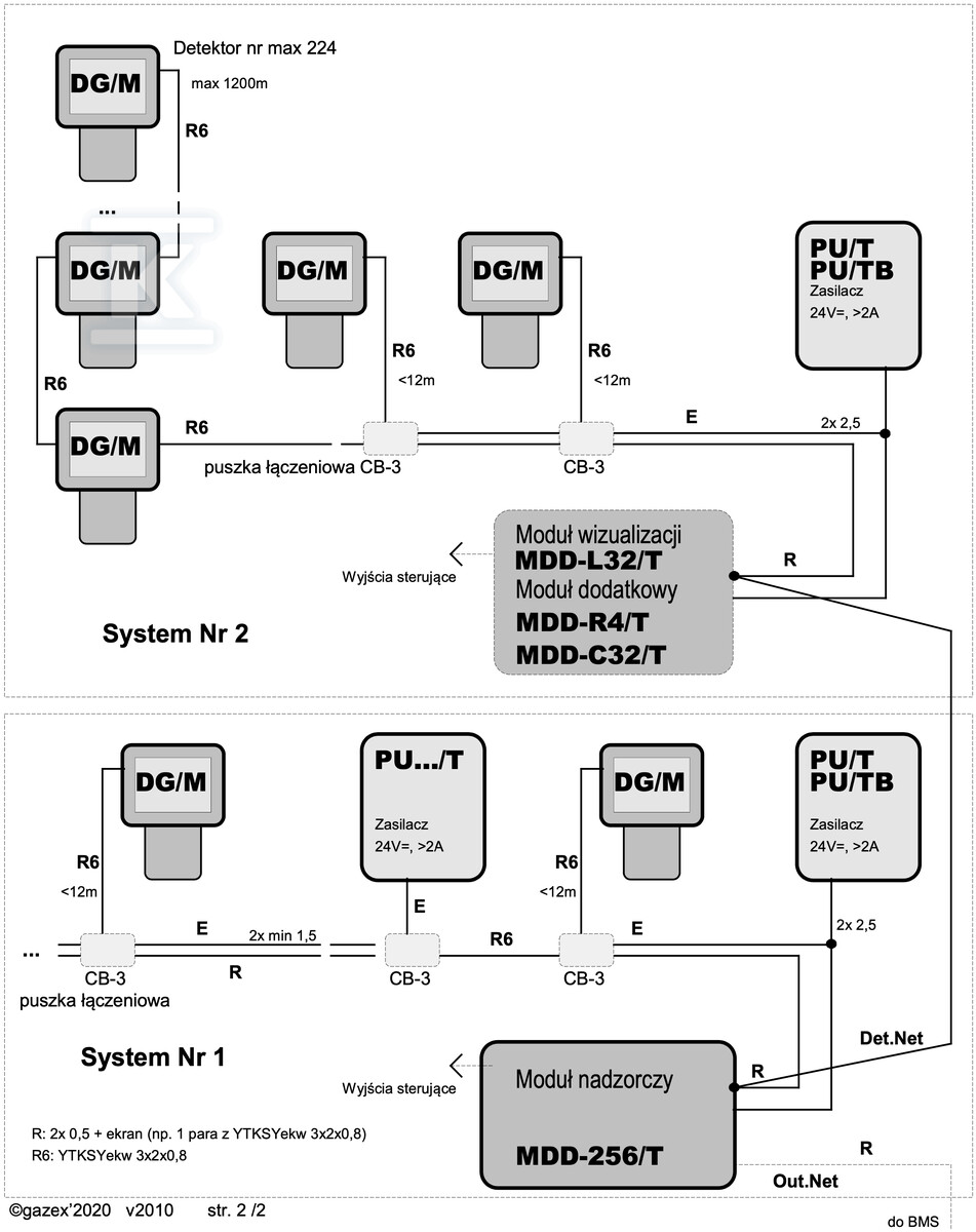
Детектор газів DG-P1KL4/M – це просунутий пристрій, призначений для безперервного моніторингу концентрації метану в закритих приміщеннях. Використовує каталітичний сенсор, що забезпечує точний вимір у діапазоні до 100% НМВ (Нижньої Межі Вибуховості). Детектор є ключовим елементом Цифрової Системи Детекції Газів GAZEX, що дозволяє швидко реагувати на потенційні загрози та забезпечує безпеку на промислових підприємствах, логістичних центрах та об'єктах громадського призначення.
Функціональність та застосування
Пристрій не тільки вимірює концентрацію метану, але й сигналізує про перевищення допустимих норм за допомогою вбудованої оптичної LED сигналізації. Інформація про тривогу передається до контрольного модуля через інтерфейс RS-485 з протоколом MODBUS RTU, що дозволяє здійснювати віддалений моніторинг та контроль стану безпеки. Змінний сенсорний модуль полегшує обслуговування та калібрування, знижуючи експлуатаційні витрати.
Детектор DG-P1KL4/M знаходить застосування в:
- промислових підприємствах, де існує ризик витоку метану;
- логістичних центрах, складах газів;
- об'єктах громадського призначення (лікарні, школи, спортивні зали);
- великих приміщеннях, що вимагають постійного моніторингу концентрації газу.
Будова та характерні риси
Детектор був розроблений з урахуванням надійності та зручності використання. Має бризкозахищений корпус з високоміцного ABS (IP44), що забезпечує стійкість до складних умов навколишнього середовища. Два кабельні вводи полегшують з'єднання наступних детекторів у мережу. Вбудований мікропроцесор забезпечує стабільну роботу та напівавтоматичне адресування в цифровій мережі – без необхідності відкривання корпусу. Додатково детектор має систему температурної компенсації та історію станів тривоги, що полегшує аналіз подій та ідентифікацію потенційних проблем. Живлення здійснюється напругою 24V=. Можливість конфігурації налаштувань детектора через спеціалізоване програмне забезпечення конфігурації „DETnet View”, доступне на сайті виробника GAZEX. Усі детектори калібруються у власній Калібрувальній Лабораторії GAZEX, акредитованій відповідно до норми PN-EN ISO/IEC 17025 (акредитація PCA № AP150), що гарантує точність вимірювань та відповідність чинним стандартам.
СЕРТИФІКАТИ, СХВАЛЕННЯ, БЕЗПЕКА, ВІДПОВІДНІСТЬ ТА ПОПЕРЕДЖЕННЯ
Декларація про відповідність
Додатки


