Детектор газів DG-P1KL/M горючі гази (прості вуглеводні), діапазон 100 %DGW, каталітичний сенсор, RS-485
Рекомендовані продукти
ТЕХНІЧНІ ДАНІ
Розміри та вага товарної одиниці: 1 шт
Детектор газів DG-P1KL/M горючі гази (прості вуглеводні), діапазон 100 %DGW, каталітичний сенсор, RS-485
Детектор вибухонебезпечних газів DG-P1KL/M – надійний захист від витоків
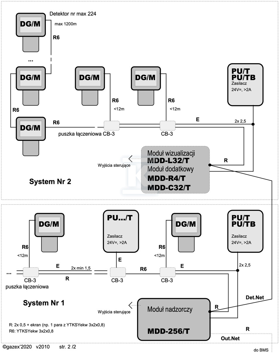
Детектор газів DG-P1KL/M – це сучасний пристрій, призначений для постійного моніторингу наявності вибухонебезпечних газів, особливо простих вуглеводнів, у різних приміщеннях. Його основне завдання – швидке виявлення небезпечних концентрацій газу та сповіщення про потенційну загрозу. Детектор знаходить застосування як на промислових підприємствах, логістичних центрах, так і в об'єктах громадського користування, де забезпечення безпеки є ключовим.
Функціональність та застосування
Пристрій використовує каталітичний сенсор з діапазоном вимірювання до 100% НМВ (Нижньої Межі Вибуховості), що гарантує точні та достовірні показання. Комунікація здійснюється через порт RS-485 з протоколом MODBUS RTU, що дозволяє легко інтегрувати його з цифровими системами виявлення газів. Детектор сигналізує про тривогу оптично, а інформація про перевищення допустимої концентрації передається до контрольного модуля.
Варто підкреслити, що детектори серії DG-P/M мають звичайну конструкцію і не можуть використовуватися у вибухонебезпечних зонах. Однак вони ідеально підходять для моніторингу приміщень, де ризик витоку газу є реальним, але безпосередньої загрози вибуху немає.
Ключові особливості та переваги
- Змінні сенсорні модулі: Дозволяють швидко замінити пошкоджений сенсор або адаптувати детектор до іншого типу газу без необхідності заміни всього пристрою – це знижує експлуатаційні витрати та спрощує обслуговування.
- Комунікація RS-485: Забезпечує надійну передачу даних та легку інтеграцію з існуючими системами моніторингу.
- Вбудований мікропроцесор: Гарантує стабільну роботу, надійність та напівавтоматичне адресування в цифровій мережі – монтажники оцінять простоту конфігурації.
- Схема температурної компенсації: Усуває вплив змін температури на точність вимірювань, забезпечуючи достовірні результати навіть у мінливих умовах навколишнього середовища.
- Історія тривожних станів: Дозволяє аналізувати події та ідентифікувати потенційні проблеми в установці.
- Бризостійкий корпус (IP44): Захищає пристрій від вологи та пилу, забезпечуючи його довговічність навіть у складних умовах експлуатації.
- Два кабельні вводи: Полегшують підключення інших детекторів до мережі – мінімізують час монтажу та покращують естетику установки.
- Конфігурація через програмне забезпечення DETnet View: Дозволяє легко налаштувати параметри детектора відповідно до специфічних потреб застосування.
- Калібрування в акредитованій лабораторії GAZEX: Гарантує точність вимірювань та відповідність стандарту PN-EN ISO/IEC 17025 (акредитація PCA № AP150).
Детектор DG-P1KL/M – це надійне рішення для кожного, хто піклується про безпеку навколо себе. Його надійність, точність та простота використання роблять його ідеальним вибором як для професійних монтажників, так і для кінцевих користувачів.
СЕРТИФІКАТИ, СХВАЛЕННЯ, БЕЗПЕКА, ВІДПОВІДНІСТЬ ТА ПОПЕРЕДЖЕННЯ
Декларація про відповідність
Додатки


