Цифровий індикатор струму TrueRMS, трифазний DMA-3RMS-CT, непряме вимірювання, з програмованим коефіцієнтом трансформації
Рекомендовані продукти
ТЕХНІЧНІ ДАНІ
Розміри та вага товарної одиниці: 1 шт
Цифровий індикатор струму TrueRMS, трифазний DMA-3RMS-CT, непряме вимірювання, з програмованим коефіцієнтом трансформації
Трифазний індикатор струму DMA-3RMS-CT – точні вимірювання та надійність
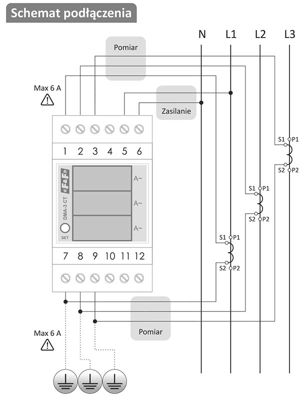
DMA-3RMS-CT – це цифровий трифазний індикатор струму, призначений для вимірювання дієвого значення струму змінного струму (TrueRMS) в проміжних ланцюгах з використанням струмових трансформаторів. Пристрій забезпечує точне зчитування навіть у випадку спотворених форм струму, що робить його ідеальним рішенням як для професійних монтажників, так і для кінцевих користувачів, які потребують прецизійного моніторингу навантаження.
Універсальне застосування та легкий монтаж
Індикатор розроблений для монтажу на DIN-рейку 35 мм, що полегшує його інтеграцію з існуючою електричною інфраструктурою. Завдяки компактним розмірам (3 модулі, тобто 52,5 мм завширшки) він не займає багато місця в розподільчому щиті. Призначений для співпраці зі струмовими трансформаторами з вихідним струмом 5A, що дозволяє гнучко адаптувати його до різних конфігурацій установки. Дисплей LED з трьома цифрами для кожної фази забезпечує чітке та інтуїтивно зрозуміле зчитування значення струму.
Ключові особливості та переваги:
- Вимірювання TrueRMS: Забезпечує точне вимірювання дієвого значення струму змінного струму, навіть при нелінійних навантаженнях. Це особливо важливо для електронних пристроїв, які генерують гармоніки.
- Програмована передача: Дозволяє адаптувати індикатор до різних значень струмових трансформаторів (20A - 1000A), що усуває необхідність використання додаткових перетворювачів.
- Міцна конструкція: Призначений для роботи в широкому діапазоні температур (-25°C до +50°C) і характеризується ступенем захисту IP20, забезпечує надійну роботу навіть у складних умовах навколишнього середовища.
- Чіткий дисплей: Трицифровий LED-дисплей для кожної фази полегшує швидке та точне зчитування значення струму.
- Безпека використання: Максимальне миттєве перевантаження 20A/1s та максимальний струм 6A захищають пристрій від пошкоджень. Рекомендується заземлити одну сторону струмового трансформатора для підвищення безпеки.
- Низьке енергоспоживання: Споживання енергії на рівні 4W мінімізує вплив на загальне навантаження електричної установки.
Технічні характеристики:
- Напруга живлення: 165÷265 V AC/DC
- Діапазон вимірювання: 0÷5 A
- Точність показів: 1% (діапазон вимірювання до 100 A: 0,1 A; вище 100 A: 1 A)
- Частота живлення: 45÷55 Hz
- Приєднання: Гвинтові клеми 2,5 mm² (багатожильний) / 4,0 mm² (одножильний)
- Момент затягування: 0,5 Nm
- Розміри: 3 модулі (52,5 мм)
- Ступінь захисту: IP20
Пам'ятайте про обережність під час монтажу та підключення пристрою – вимкніть живлення вимірюваних ланцюгів або встановіть перемички, що замикають вторинну сторону струмового трансформатора! Індикатор DMA-3RMS-CT – це міцний і точний інструмент, який знайде застосування в будь-якій системі моніторингу електричного навантаження.
СЕРТИФІКАТИ, СХВАЛЕННЯ, БЕЗПЕКА, ВІДПОВІДНІСТЬ ТА ПОПЕРЕДЖЕННЯ
Декларація про відповідність
Додатки
- DMA-3RMS-CT_schemat
- DMA-3RMS-CT_inst E231019 PL
- Tabele-do-obliczenia-dlugosci-przewodow-FF (1)
- OŚWIADCZENIE GPSR F&F



