Кінцева труба AL DO36KV AR-F_16-185/10
- 5905912868739
Рекомендовані продукти
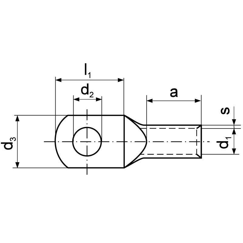
ТЕХНІЧНІ ДАНІ
Розміри та вага товарної одиниці: 1 шт
Кінцева труба AL DO36KV AR-F_16-185/10
Надійні з'єднання для алюмінієвих проводів – надійність і безпека
Кінцева алюмінієва гільза є ключовим елементом, що забезпечує міцне та безпечне закінчення алюмінієвих проводів, як круглих, так і секторальних. Її застосування мінімізує ризик перегріву жил та ізоляції, що безпосередньо впливає на термін служби електричної установки. Завдяки прецизійному обтисканню, гільза створює надійне електричне з'єднання, стійке до корозії та механічних пошкоджень.
Конструкція та застосування
Виготовлена з високоякісного алюмінію, кінцева гільза підходить для використання з проводами перерізом 185 мм². Призначена для монтажу на провід шляхом обтискання, забезпечує міцне з'єднання без необхідності пайки чи скручування. Застосування цієї гільзи особливо важливе в установках, що піддаються великим струмовим навантаженням або змінним умовам навколишнього середовища. Відповідає вимогам стандарту DIN 46267 ч.2, гарантуючи відповідність чинним стандартам безпеки. Отвір під гвинт M16 полегшує монтаж у різних конфігураціях.
Переваги для монтажника та кінцевого користувача
- Довговічність і надійність: Забезпечує довготривале та стабільне електричне з'єднання, мінімізуючи ризик аварій.
- Безпека: Зменшує ризик перегріву проводів і коротких замикань, захищаючи електричну установку та користувачів.
- Легкий монтаж: Швидкий і простий монтаж шляхом обтискання – економія часу та витрат на роботу.
- Універсальність: Призначена для алюмінієвих проводів круглих і секторальних перерізом 185 мм².
- Відповідність нормам: Виготовлена відповідно до DIN 46267 ч.2 – гарантія якості та безпеки.
- Стійкість до корозії: Алюміній забезпечує стійкість до дії атмосферних факторів і корозії, що продовжує термін служби з'єднання.
- Оптимальний діаметр отвору: Внутрішній діаметр отвору, що становить 17 мм, полегшує монтаж з'єднувачів і гвинтів.
СЕРТИФІКАТИ, СХВАЛЕННЯ, БЕЗПЕКА, ВІДПОВІДНІСТЬ ТА ПОПЕРЕДЖЕННЯ
Декларація про відповідність
Додатки

