Клемник ZK12 752212
Рекомендовані продукти
ТЕХНІЧНІ ДАНІ
Розміри та вага товарної одиниці: 1 шт
Клемник ZK12 752212
Кріплення сталевих конструкцій – надійний затискач ZK12
Затискач ZK12 – це міцне та універсальне рішення для кріплення стрижнів до двотаврів, кутників та інших елементів сталевих конструкцій. Він чудово підходить як на будівельних майданчиках, у виробничих цехах, так і під час встановлення систем підтримки для інсталяцій. Його конструкція забезпечує стабільне та безпечне з’єднання, а матеріали гарантують довговічність навіть у складних умовах.
Затискач виготовлений з відкутої сталі, оцинкованої гальванічно, що забезпечує стійкість до корозії та тривале використання. Також доступна версія зі сталі, оцинкованої методом занурення (на замовлення), що пропонує ще вищий захист від впливу атмосферних факторів. Продукт відповідає функції E-90, що підтверджує його відповідність чинним нормам безпеки.
Монтаж та застосування:
Встановлення затискача ZK12 просте та інтуїтивно зрозуміле. Попередньо затягніть гвинт затискача вручну до сталевої конструкції, а потім затягніть його ключем на пів оберту (180°). Далі заблокуйте гвинт контргайкою та завершіть монтаж, затягнувши ключем на 1/8 оберту (45°). Такий спосіб монтажу забезпечує оптимальну напругу та стабільність з’єднання. Цей затискач знаходить застосування при кріпленні конструкційних елементів у будівництві, промисловості та в системах підтримки інсталяцій.
Характеристики:
- Міцна конструкція: Виготовлений з відкутої сталі, що забезпечує високу вантажопідйомність та стійкість до механічних пошкоджень.
- Стійкість до корозії: Гальванічне цинкування захищає від впливу вологи та атмосферних факторів, продовжуючи термін служби затискача.
- Простий монтаж: Інтуїтивна процедура монтажу дозволяє швидко та ефективно закріпити стрижні до сталевих конструкцій.
- Універсальність: Підходить для кріплення стрижнів до різних типів сталевих елементів, таких як двотаври чи кутники.
- Відповідність нормам: Відповідає функції E-90, гарантуючи безпеку використання.
- Доступність версії з цинкуванням методом занурення: Для застосувань, що вимагають підвищеної стійкості до корозії, доступна версія з цинковим покриттям, нанесеним методом занурення (PN-EN ISO 1461:2023-02).
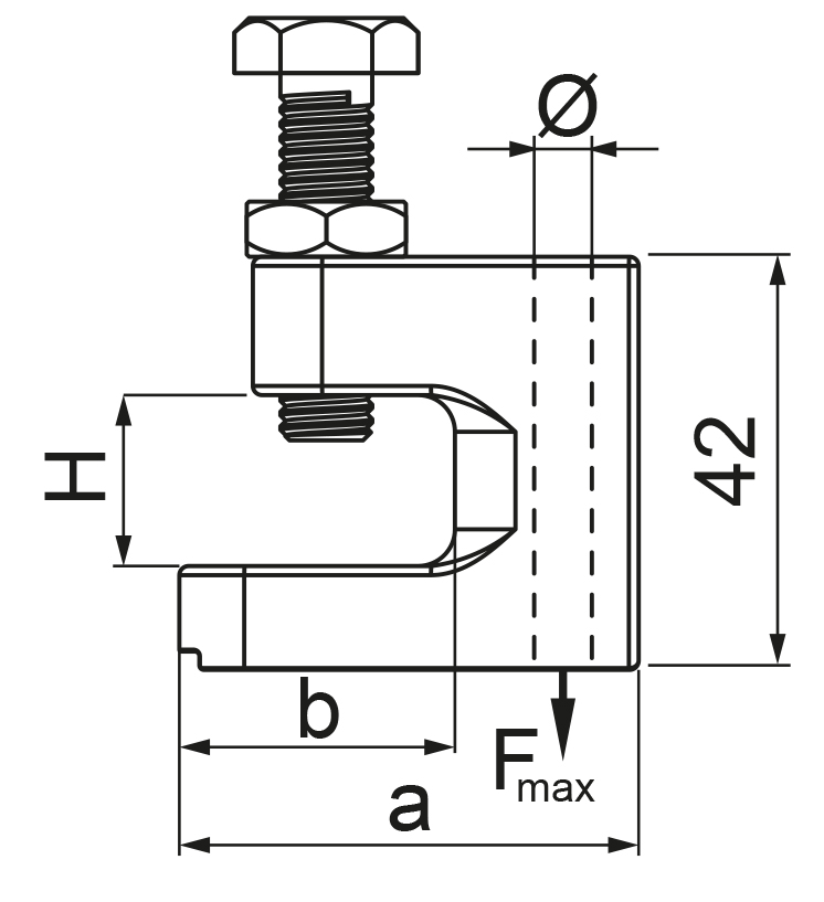
Діаметр монтажного отвору становить 13 мм, а діапазон товщини кріпленого елемента – 0-26 мм. Максимальне навантаження, яке може витримати затискач, становить 2,5 кН, при вазі самого затискача 0,18 кг.
Затискач ZK12 – це надійний інструмент у руках професіоналів та практичне рішення для тих, хто самостійно виконує будівельні та монтажні роботи. Його міцна конструкція та легкість монтажу роблять його ідеальним вибором для кожного, хто цінує якість та безпеку.
СЕРТИФІКАТИ, СХВАЛЕННЯ, БЕЗПЕКА, ВІДПОВІДНІСТЬ ТА ПОПЕРЕДЖЕННЯ
Декларація експлуатаційних характеристик
- Baks Krajowy-certyfikat-stalości-wlasciwości-użytkowych -puszki
- Deklaracja-właściwości-użytkowej-konstrukcje-2017-E901 E-90
- Deklaracja-właściwości-użytkowej-zespoły-2017-E90 Baks
Декларація про відповідність
- Deklaracja-Zgodnosci-UE-nr-1_23-CE-standard-PN-EN.-PL trasy kablowe
- Baks Deklaracja-Zgodnosci-UE-nr-1_25-CE-standard-PN-EN.-PL-17.02.2025
- Deklaracja-Zgodności-CE-2_2016-standard
Інформація про сайти
Інший
- Baks Krajowa Ocena techniczna KOT_2023_0371-3703-w2-1 konstrukcje nośne
- Baks Krajowy certyfikat stałosci właściwości uzytkowych 2023 konstrukcje nośne
Додатки
- 22063_AI_ZK_
- Warunki gwarancji BAKS
- Baks - Powłoki antykorozyjne
- Baks powłoki antykorozyjne BAKS 2024
- Baks_Informacja o materiałach i powłokach ochronnych materiałów z których wykonane są wyroby B
- Warunki gwarancji 2020

