Універсальне кріплення UKAM2 202
Рекомендовані продукти
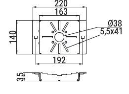
ТЕХНІЧНІ ДАНІ
Розміри та вага товарної одиниці: 1 шт
Універсальне кріплення UKAM2 202
Універсальне рішення для монтажу камер на стовпах
Універсальний кріплення UKAM2 — це ретельно продумана конструкція, призначена для безпечного та надійного кріплення промислових камер у зовнішніх умовах. Його головною перевагою є монтажна гнучкість: цей елемент підходить як для стовпів круглого, так і квадратного перерізу, охоплюючи діаметри від 60 до 90 мм. Завдяки цьому інсталятору не потрібно замовляти різні типи кріплень для різних видів інфраструктури, що значно спрощує логістику на будівельному майданчику.
Конструкція, стійка до корозії та деформацій
Ключовим аспектом довговічності цього кріплення є матеріал, з якого воно виготовлене. Листова сталь корпусу покрита покриттям Magnelis ZM310, що забезпечує високу стійкість до атмосферних впливів та корозії протягом багатьох років. Не менш важливими є також кріпильні елементи — виготовлені з нержавіючої сталі (у ламельному покритті), вони гарантують, що все з'єднання не іржавітиме в місці контакту зі стовпом.
Варто звернути увагу на конструктивні деталі, які реально впливають на якість монтажу:
- Безпека при закручуванні: Додаткові пресування навколо монтажних отворів запобігають деформації металу під час закручування болтів. Завдяки цьому кріплення залишається жорстким і надійно закріпленим на стовпі протягом усього терміну експлуатації.
- Відсутність конфліктів: Спеціальні вигини на кінцях кріплення усувають ризик конфлікту з кріпильними елементами (затискачами), що використовуються для його кріплення на стовпі. Це дозволяє використовувати всю площу кріплення для монтажу камери без необхідності «уникати» точок кріплення стовпа.
- Багатосторонність: Розташування отворів дозволяє монтувати камери з двох сторін кріплення, що надає велику свободу у виборі кута огляду або створенні двонаправлених систем моніторингу.
Застосування та практичні переваги
Ця модель ідеально підходить для систем CCTV, що вимагають швидкого та неінвазивного монтажу. Завдяки підготовці під різні перерізи стовпів та універсальному розташуванню отворів, вона підходить для більшості камер, доступних на ринку. Для професіоналів це означає менший час роботи на кожному пункті моніторингу, а для інвестора — впевненість у тому, що камера буде надійно закріплена навіть при сильному вітрі чи змінах температури.
Стандартна версія доступна у природному кольорі оцинкування, проте в асортименті також є варіанти з порошковим покриттям у білому або чорному кольорі, що дозволяє краще підібрати кольорове рішення до фасадів будівель або навколишнього середовища дорожньої інфраструктури. Вага кріплення становить приблизно 1,9 кг, що полегшує його транспортування та маніпуляції під час монтажних робіт на висоті.
Завдяки поєднанню міцної оцинкованої сталі з точно виконаними пресуваннями, UKAM2 пропонує рішення, яке не лише відповідає вимогам норм для зовнішніх пристроїв, а й насамперед полегшує роботу інсталятора та забезпечує спокій кінцевого користувача щодо стабільності системи моніторингу.
СЕРТИФІКАТИ, СХВАЛЕННЯ, БЕЗПЕКА, ВІДПОВІДНІСТЬ ТА ПОПЕРЕДЖЕННЯ
Декларація експлуатаційних характеристик
Додатки


